Giáo án Chuyên đề Vật Lí 11 Kết nối tri thức Bài 9: Mạch điện đơn giản có sử dụng thiết bị đầu ra
Giáo án Chuyên đề Vật Lí 11 Kết nối tri thức Bài 9: Mạch điện đơn giản có sử dụng thiết bị đầu ra
Chỉ từ 200k mua trọn bộ Kế hoạch bài dạy (KHBD) hay Giáo án Chuyên đề Vật Lí 11 Kết nối tri thức chuẩn kiến thức, trình bày đẹp mắt, dễ dàng chỉnh sửa:
- B1: gửi phí vào tk:
1133836868- CT TNHH DAU TU VA DV GD VIETJACK - Ngân hàng MB (QR) - B2: Nhắn tin tới Zalo VietJack Official - nhấn vào đây để thông báo và nhận giáo án
I. MỤC TIÊU
1. Kiến thức
- Sơ đồ tổng quát mạch tạo tín hiệu điều khiển thiết bị sử dụng cảm biến từ đó làm cơ sở thiết kế được các mạch điều khiển với từng loại cảm biến khác nhau.
- Sơ đồ mạch khuếch đại tín hiệu từ cảm biến để thiết kế thiết bị đo lường.
2. Năng lực
Năng lực chung:
- Năng lực tự học: Chủ động tích cực thực hiện những công việc của bản thân trong học tập thông qua việc tham gia đóng góp ý tưởng, đặt câu hỏi và trả lời các yêu cầu.
- Giao tiếp và hợp tác: Thảo luận qua hình vẽ, tài liệu đa phương tiện nêu được một số kiến thức về mạch điện ứng dụng đơn giản có sử dụng thiết bị đầu ra
- Năng lực giải quyết vấn đề: Xác định được và biết tìm hiểu các thông tin liên quan đến mạch điện ứng dụng đơn giản có sử dụng thiết bị đầu ra để giải quyết vấn đề
Năng lực vật lí:
- Sơ đồ tổng quát mạch tạo tín hiệu điều khiển thiết bị sử dụng cảm biến từ đó làm cơ sở thiết kế được các mạch điều khiển với từng loại cảm biến khác nhau.
- Sơ đồ mạch khuếch đại tín hiệu từ cảm biến để thiết kế thiết bị đo lường.
3. Phẩm chất
- Chăm học, chịu khó tìm tòi tài liệu và thực hiện các nhiệm vụ học tập.
- Có trách nhiệm trong hoạt động nhóm, chủ động nhận và thực hiện tất cả các nhiệm vụ.
- Trung thực, cẩn thận khi thực hiện nhiệm vụ theo đúng yêu cầu của GV.
II. THIẾT BỊ DẠY HỌC VÀ HỌC LIỆU
1. Đối với giáo viên:
- Sách Chuyên đề, Sách chuyên đề GV, Giáo án.
- Hình ảnh, video về các thiết bị tự động trong ngôi nhà thông minh.
- Dụng cụ thí nghiệm như: IC khuếch đại thuật toán, relay điện từ, bơm nước mini (hoặc van nước điện từ), diode thu phát hồng ngoại, quang điện trở, nhiệt điện trở, vôn kế
- Máy chiếu, máy tính (nếu có)
2. Đối với học sinh:
- Sách Chuyên đề Vật lí 11
- Đọc trước bài học trong SGK.
- Tìm kiếm, đọc trước tài liệu có liên quan đến mạch điện ứng dụng đơn giản có sử dụng thiết bị đầu ra
III. TIẾN TRÌNH DẠY HỌC
A. HOẠT ĐỘNG KHỞI ĐỘNG
a. Mục tiêu: Dẫn dắt, gợi mở kiến thức cho HS trước khi vào bài học..
b. Nội dung: GV đặt vấn đề để HS thảo luận xác định nhiệm vụ bài học
c. Sản phẩm học tập: HS trả lời được những câu hỏi mà GV đưa ra để thảo luận về mạch điện ứng dụng đơn giản có sử dụng thiết bị đầu ra
d. Tổ chức thực hiện:
Bước 1: GV chuyển giao nhiệm vụ học tập
- GV đặt vấn đề: Trong ngôi nhà thông minh, cánh cửa có thể tự đóng và mở khi có người qua lại, vòi nước có thể tự mở và tự khóa khi có người sử dụng, bóng đèn có thể tự bật khi trời tối và tự tắt khi trời sáng.
- GV nêu câu hỏi: Làm thế nào để các thiết bị này có thể hoạt động một cách tự động như vậy?
Bước 2: HS thực hiện nhiệm vụ học tập
- HS quan sát hình ảnh, lắng nghe GV giới thiệu và đưa ra câu trả lời.
Bước 3: Báo cáo kết quả hoạt động và thảo luận
- GV mời 1 – 2 bạn ngẫu nhiên đứng dậy trình bày suy nghĩ của mình
Bước 4: Đánh giá kết quả, thực hiện nhiệm vụ học tập
- GV tiếp nhận câu trả lời rồi dẫn dắt để các thiết bị này có thể tự đóng, ngắt mạch điện thì cần phải có một relay và mạch điện tạo dòng điện điều khiển relay. Đó cũng là nội dung bài học hôm nay: Bài 9: Mạch điện đơn giản có sử dụng thiết bị đầu ra
B. HOẠT ĐỘNG HÌNH THÀNH KIẾN THỨC
Hoạt động 1. Khảo sát mạch tạo tín hiệu bật – tắt thiết bị
a. Mục tiêu: HS khảo sát được mạch tạo tín hiệu bật tắt
b. Nội dung: GV hướng dẫn HS lập bảng số liệu để khảo sát mạch tạo tín hiệu bật tắt
c. Sản phẩm học tập: Kết quả khảo sát mạch tạo tín hiệu bật – tắt thiết bị
d. Tổ chức hoạt động:
|
HOẠT ĐỘNG CỦA GV – HS |
DỰ KIẾN SẢN PHẨM |
||||||||||||
|
Bước 1: GV chuyển giao nhiệm vụ học tập - GV chia HS thành các nhó, hướng dẫn HS lập bảng số liệu
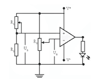
- GV hướng dẫn từng nhóm lắp mạch với R0, R1 là biến trở, thiết bị đầu ta là một đèn LED (lưu ý, LED pahri được nối tiếp với điện trở) Mạch điện tạo tín hiệu điều khiển đèn LED - HS lắp mạch điện và lập bảng số liệu theo hướng dẫn của GV và tiến hành khảo sát mạch điện theo cách sau: 1. Điều chỉnh biến trở R0 sao cho U0 ở giá trị xác định. 2. Điều chỉnh R1 để thay đổi US đồng thời quan sát đèn LED và ghi kết quả vào bảng. 3. Nhận xét hoạt động của mạch điện. - GV tổng hợp các nhận xét của HS và đưa ra kết luận: với tất cả các giá trị của US sao cho Us>U0 thì đèn sáng và Us <U0 thì đèn tắt. Do đó U0 được xem như điện áp ngưỡng để bật – tắt bóng đèn. Vậy, nếu ta thay biến trở R1 bằng một cảm biến có điện trở thay đổi theo giá trị của đại lượng vật lí mà cảm biến đó nhạy (ví dụ: cảm biến nhiệt, cảm biến ánh sáng) và thiết bị đầu ra là một relay thì chúng ta có thể điều khiển bật – tắt thiết bị điện thông qua cảm biến. |
I. MẠCH ĐIỆN TẠO TÍN HIỆU ĐIỀU KHIỂN THIẾT BỊ TỰ ĐỘNG SỬ DỤNG CẢM BIẾN * Câu hỏi (SGK – tr54) 1. Khuếch đại thuật toán trong trường hợp này đóng vai trò khuếch đại tín hiệu. Tín hiệu từ cảm biến thường rất nhỏ nên không thể dùng để điều khiển trực tiếp thiết bị mà không qua mạch khuếch đại. 2. Nếu thay đổi giá trị điện trở thì điện áp US sẽ thay đổi theo sự thay đổi theo điện trở của cảm biến, mỗi khi US vượt qua giá trị U0 thì điện áp đầu ra sẽ thay đổi mức giá trị. * Kết luận - Bộ khuếch đại thuật toán kết hợp với cảm biến có thể tạo thành mạch điện đơn giảm để điều khiển thiết bị tự động - Mỗi khi US vượt quá giá trị U0 thì điện áp đầu ra sẽ thay đổi mức giá trị. Nếu nối đầu ra với một relay hoặc một thiết bị cảnh báo thì ta sẽ có một thiết bị đóng ngắt mạch điện hoặc cảnh bảo ngưỡng tự động.
|
................................
................................
................................
Trên đây tóm tắt một số nội dung miễn phí trong bộ Kế hoạch bài dạy (KHBD) hay Giáo án Chuyên đề Vật Lí 11 mới nhất, để mua tài liệu đầy đủ, Thầy/Cô vui lòng xem thử:
Xem thêm các bài soạn Giáo án Chuyên đề Vật Lí lớp 11 Kết nối tri thức hay, chuẩn khác:
Giáo án Chuyên đề Vật Lí 11 Bài 5: Tín hiệu tương tự và tín hiệu số
Giáo án Chuyên đề Vật Lí 11 Bài 8: Bộ khuếch đại thuật toán và thiết bị đầu ra
Đã có app VietJack trên điện thoại, giải bài tập SGK, SBT Soạn văn, Văn mẫu, Thi online, Bài giảng....miễn phí. Tải ngay ứng dụng trên Android và iOS.
Theo dõi chúng tôi miễn phí trên mạng xã hội facebook và youtube:Nếu thấy hay, hãy động viên và chia sẻ nhé! Các bình luận không phù hợp với nội quy bình luận trang web sẽ bị cấm bình luận vĩnh viễn.
- Giáo án lớp 11 (các môn học)
- Giáo án điện tử lớp 11 (các môn học)
- Giáo án Toán 11
- Giáo án Ngữ văn 11
- Giáo án Tiếng Anh 11
- Giáo án Vật Lí 11
- Giáo án Hóa học 11
- Giáo án Sinh học 11
- Giáo án Lịch Sử 11
- Giáo án Địa Lí 11
- Giáo án KTPL 11
- Giáo án HĐTN 11
- Giáo án Tin học 11
- Giáo án Công nghệ 11
- Giáo án GDQP 11
- Đề thi lớp 11 (các môn học)
- Đề thi Ngữ Văn 11 (có đáp án)
- Chuyên đề Tiếng Việt lớp 11
- Đề cương ôn tập Văn 11
- Đề thi Toán 11 (có đáp án)
- Đề thi Toán 11 cấu trúc mới
- Đề cương ôn tập Toán 11
- Đề thi Tiếng Anh 11 (có đáp án)
- Đề thi Tiếng Anh 11 mới (có đáp án)
- Đề thi Vật Lí 11 (có đáp án)
- Đề thi Hóa học 11 (có đáp án)
- Đề thi Sinh học 11 (có đáp án)
- Đề thi Lịch Sử 11
- Đề thi Địa Lí 11 (có đáp án)
- Đề thi KTPL 11
- Đề thi Tin học 11 (có đáp án)
- Đề thi Công nghệ 11
- Đề thi GDQP 11 (có đáp án)


Giải bài tập SGK & SBT
Tài liệu giáo viên
Sách
Khóa học
Thi online
Hỏi đáp

