200+ Trắc nghiệm Nguyên lý chi tiết máy (có đáp án)
Tổng hợp trên 200 câu hỏi trắc nghiệm Nguyên lý chi tiết máy có đáp án với các câu hỏi đa dạng, phong phú từ nhiều nguồn giúp sinh viên ôn trắc nghiệm Nguyên lý chi tiết máy đạt kết quả cao.
200+ Trắc nghiệm Nguyên lý chi tiết máy (có đáp án)
Câu 1. Trong truyền động xích công thức tính tỉ số truyền là:
A. u = n1/n2 = z2/z1
B. H = P2/P1
C. Ft = 2T1/d1 = 2T2/d2
D. F0 = mxky
Câu 2. Chi tiết máy là:
A. Cơ phận nhỏ nhất có thể tháo rời được từ máy bằng phương pháp tháo không phá hủy mối ghép
B. Cơ phận nhỏ nhất có thể tháo rời được từ máy bằng mọi phương pháp
C. Cơ phận nhỏ nhất của máy
D. Cơ phận chuyển động được của máy
Câu 3. Biện pháp nào sau đây nhằm nâng cao sức bền mỏi của trục:
A. Vát mép mayơ
B. Khoan nhiều lỗ lên trục
C. Làm mỏng phần trục chỗ lắp mayơ
D. Cắt nhiều rảnh trên trục
Câu 4. Khâu động trong máy móc là:
A. Một hay nhiều chi tiết máy lắp cố định với nhau thành vật cứng có chuyển động tương đối với các vật cứng khác
B. Một chi tiết máy có thể chuyển động tương đối với các chi tiết máy khác
C. Một hay hay nhiều chi tiết máy lắp cố định với nhau thành vật cứng
D. Tất cả các đáp án trên đều đúng
Câu 5. Đây là cơ cấu gì:
A. Cơ cấu tay quay – con trượt
B. Cơ cấu Culit
C. Cơ cấu bốn khâu bản lề
D. Cơ cấu cam
Câu 6. Các phương pháp hàn gồm:
A. Tất cả đáp án đều đúng
B. Hàn hồ quang điện
C. Hàn tiếp xúc
D. Hàn vẩy
Câu 7. Cho cơ cấu như hình bên dưới có số khớp là:
A. 6
B. 5
C. 4
D. 3
Câu 8. Cho cơ cấu như hình bên dưới có số khớp là:
A. 7
B. 5
C. 6
D. 8
Câu 9. Cho cơ cấu như hình bên dưới, số bậc tự do của cơ cấu là:
A. 1
B. 4
C. 2
D. 3
Câu 10. Bậc tự do của một khâu là:
A. Số khả năng chuyển động độc lập tương đối của khâu này đối với khâu kia.
B. Số khả năng chuyển động độc lập của khâu
C. Số khả năng chuyển động của khâu trong hệ quy chiếu không gian 3 chiều
D. Tất cả các đáp án trên đều đúng.
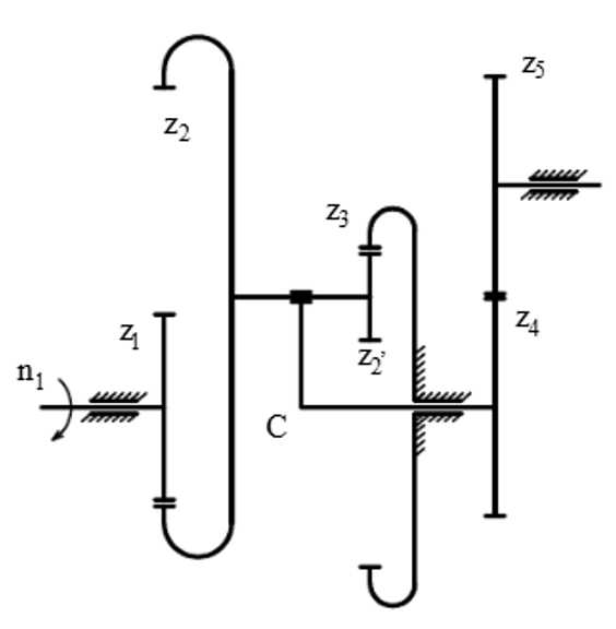
Câu 11. Cho hệ bánh răng như hình bên dưới, bậc tự do của hệ là:
A. 1
B. 4
C. 3
D. 5
Câu 12. Cho vận tốc góc các khâu 1, 2, 3 là ω1, ω2, ω3 trong cơ cấu 4 khâu bản lề tại vị trí góc ^ABC = ^BCD= 90o, nếu tay quay AB quay đều với vận tốc góc w1=20rad /s. Cho trước kích thước của các khâu 4lAB = lBC = lCD = 0,4m. Vận tốc khâu AB (VB1) là:
A. 2 m/s
B. 7 m/s
C. 5 m/s
D. 6 m/s
Câu 13. Lực ma sát trên thành rãnh chữ V là:
A. Fms = f.N
B. Fms = f.P.cosα
C. Fms = f.P
D. Fms = f.P.sinα
Câu 14. Cho vật A chuyển động trên mặt phẳng B như hình bên dưới, lực ma sát trên mặt phẳng ngang là:
A. Fms = f.P.cosα
B. Fms = f.N
C. Fms = f.P
D. Fms = f.P.sinα
Câu 15. Cho hệ bánh răng như hình bên dưới, bậc tự do của hệ là:
A. 1
B. 3
C. 4
D. 2
Câu 16. Cơ cấu cam là:
A. Là cơ cấu có khớp cao, được dùng để tạo chuyển động qua lại (có thể có lúc dừng) theo một quy luật cho trước của khâu bị dẫn.
B. Là cơ cấu có khớp thấp, được dùng để tạo chuyển động qua lại (có thể có lúc dừng) theo một quy luật cho trước của khâu dẫn.
C. Là cơ cấu đứng yên theo quy luật bất kỳ.
D. Là cơ cấu chuyển động tự do theo bất kỳ khâu nào.
Câu 17. Đây là cơ cấu gì:
A. Cơ cấu tay quay – con trượt chính tâm
B. Cơ cấu Culit
C. Cơ cấu cam
D. Cơ cấu bốn khâu bản lề
Câu 18. Chọn câu trả lời đúng khi mô tả bộ truyền động bánh răng như hình dưới đây:
A. Bộ truyền bánh răng trụ răng thẳng
B. Bộ truyền bánh răng côn
C. Bộ truyền bánh vít – trục vít
D. Tất cả đáp án trên đều sai
Câu 19. Chọn câu trả lời đúng khi mô tả bộ truyền động bánh răng như hình dưới đây
A. Bộ truyền bánh răng côn
B. Bộ truyền bánh răng trụ
C. Bộ truyền bánh vít – trục vít
D. Tất cả đáp án đều sai
Câu 20. Ưu điểm của bánh răng là:
A. Cả 3 đáp án đều đúng
B. Kích thước nhỏ, khả năng tải lớn.
C. Tỉ số truyền không đổi
D. Hiệu suất cao, tuổi thọ cao
Câu 21. Chọn đáp án đúng khi mô tả đường kính đỉnh răng như hình dưới đây:
- da: Đường kính đỉnh răng
- df: Đường kính chân răng
- d: Đường kính danh nghĩa
- m: mo đun
A. da= d + 2m
B. da = d - 2m
C. da = 2d + m
D. da = 2d – m
Câu 22. Cho lược đồ như hình vẽ dưới đây, chọn phát biểu đúng:
A. Tất cả các đáp án (1) và (2) đều đúng
B. Hình a: Bánh răng trụ ăn khớp ngoài (1)
C. Hình b: Bánh răng trụ ăn khớp trong (2)
D. Hình a và hình b là bánh răng trụ ăn khớp ngoài (3)
Câu 23. Số cặp bánh răng ăn khớp ngoài của lược đồ là:
A. 1
B. 2
C. 3
D. 4
Câu 24. Phát phiểu nào sau đây không phải là ưu điểm của truyền động xích:
A. Chế tạo dễ dàng
B. Không có hiện tượng trượt
C. Truyền chuyển động cho 2 trục khá xa nhau
D. Có thể truyền chuyển động cho nhiều trục đồng thời
Câu 25. Cho hình bên dưới, Px ký hiệu là gì:
A. Bước xích
B. Đường kính của chốt
C. Chiều dài ống lót
D. Chiều rộng của dây xích
................................
................................
................................
Xem thêm câu hỏi trắc nghiệm các môn học Đại học có đáp án hay khác:
Sách VietJack thi THPT quốc gia 2025 cho học sinh 2k7:
- Soạn văn 12 (hay nhất) - KNTT
- Soạn văn 12 (ngắn nhất) - KNTT
- Giải sgk Toán 12 - KNTT
- Giải Tiếng Anh 12 Global Success
- Giải sgk Tiếng Anh 12 Smart World
- Giải sgk Tiếng Anh 12 Friends Global
- Giải sgk Vật Lí 12 - KNTT
- Giải sgk Hóa học 12 - KNTT
- Giải sgk Sinh học 12 - KNTT
- Giải sgk Lịch Sử 12 - KNTT
- Giải sgk Địa Lí 12 - KNTT
- Giải sgk Giáo dục KTPL 12 - KNTT
- Giải sgk Tin học 12 - KNTT
- Giải sgk Công nghệ 12 - KNTT
- Giải sgk Hoạt động trải nghiệm 12 - KNTT
- Giải sgk Giáo dục quốc phòng 12 - KNTT
- Giải sgk Âm nhạc 12 - KNTT
- Giải sgk Mĩ thuật 12 - KNTT
Giải bài tập SGK & SBT
Tài liệu giáo viên
Sách
Khóa học
Thi online
Hỏi đáp



