200+ Trắc nghiệm Truyền động thủy lực và khí nén trên ô tô (có đáp án)
Tổng hợp trên 200 câu hỏi trắc nghiệm Truyền động thủy lực và khí nén trên ô tô có đáp án với các câu hỏi đa dạng, phong phú từ nhiều nguồn giúp sinh viên ôn trắc nghiệm Truyền động thủy lực và khí nén trên ô tô đạt kết quả cao.
200+ Trắc nghiệm Truyền động thủy lực và khí nén trên ô tô (có đáp án)
Câu 1: Tên nào ứng với ký hiệu phần tử khí nén dưới đây:
A. Van chân không.
B. Relay đóng chậm
C. Relay đóng chậm
D. Cảm biến tia phản hồi.
Câu 2: Trong các công đoạn sau đây công đoạn nào không thuộc về quá trình lọc thô khí nén:
A.Hấp thụ khô.
B. Làm mát
C. Tách nước.
D. Lọc bụi
Câu 3:Trong những ưu điểm sau ưu điểm nào không thuộc về các hệ truyền động khí nén?
A. Lực truyền tải trọng lượng cao
B. Có khả năng truyền xa
C. Không cần đường dẫn khí nén về.
D. Có khả năng tích trữ thông qua bình tích chứa.
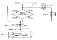
Câu 4: Cho sơ đồ mạch thủy lực như hình vẽ, ở điều kiện bơm dầu đã hoạt động:
A. Khi van 1V1 làm việc ở vị trí bên phải : pittong 1A đi ra chậm, dầu đi qua cửa A của van 1V1, dầu chảy về qua van 1V3, 1V2.
B. Khi van 1V1 làm việc ở vị trí bên phải : pittong 1A đi ra nhanh, dầu đi qua cửa A của van 1V1, dầu chảy về qua van1V4, 1V3, 1V2 và qua cửa B, T chảy về thùng dầu.
C. Khi van 1V1 làm việc ở vị trí bên phải : pittong 1A đi ra chậm, dầu đi qua cửa A của van 1V1, dầu chảy về qua van 1V2.
D. Khi van 1V1 làm việc ở vị trí bên phải : pittong 1A đi ra chậm, dầu đi qua cửa A của van 1V1, dầu chảy về qua van 1V4, 1V2.
Câu 5: Máy nén pittong ba cấp hay bốn cấp có thể đạt được áp suất nén cao nhất là:
A. 10 bar
B. 15 bar
C. 6 bar
D. 250 bar
Câu 6: Phân loại bộ lọc dầu theo kích thước chất bẩn có thể lọc được, bộ lọc dầu có thể phân thành nhiều loại. Trong đó “ bộ lọc trung bình” có lọc những chất bẩn có kích thước đến :
A. 0,01 mm.
B. 0,005 mm.
C. 0,1 mm.
D. 0,001 mm.
Câu 7: Ký hiệu như hình vẽ sau là loại van gì?
A. Cảm biến áp suất.
B. Cảm biến tốc độ dòng chảy.
C. Van áp suất điều khiển điện.
D. Van giảm áp suất điều khiển điện.
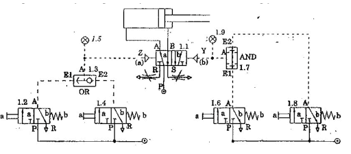
Câu 8:Trong hình dưới pittong 1.0 được điều khiển đi từ trái sang phải khi:
A. Van 1.6 và 1.8 đều ở vị trí phải.
B. Van 1.6 ở vị trí trái và 1.8 ở vị trí bên phải.
C. Van 1.2 hay 1.4 ở vị trí trái.
D. Van 1.6 và 1.8 đều ở vị trí trái.
Câu 9: Tên nào ứng với ký hiệu phần tử khí nén dưới đây:
A. Cảm biến tia rẽ nhánh.
B. Cảm biến tia qua khe hở.
C. Relay áp suất.
D. Cảm biến tia phản hồi.
Câu 10: Cho van điều khiển như hình vẽ:
A. Khi bấm nút bấm, cửa P và A sẽ bị chặn.
B. Khi bấm nút bấm, cửa P sẽ thông với cửa A
C. Khi bấm nút bấm, cửa P và L sẽ thông nhau, cửa A bị chặn.
D. Khi bấm nút bấm, dầu từ cửa P và cửa A sẽ chảy về thùng.
Câu 11: Cho van điều khiển như hình vẽ:
A. Khi có tín hiệu điều khiển từ A1, dòng từ B2 qua A2.
B. Khi có tín hiệu điều khiển từ A1, dòng từ B1 qua B2.
C. Khi có tín hiệu điều khiển từ A1, dòng từ B1 qua A2.
D. Khi có tín hiệu điều khiển từ A1, dòng từ B2 qua A1 hoặc từ A2 qua.
Câu 12: Máy nén khí áp suất rất cao là máy nén có áp suất khí nén đầu ra thuộc phạm vi nào trong các phạm vi dưới đây:
A. <= 15bar.
B. >= 15bar.
C. >= 300bar.
D. <= 30bar.
Câu 13: Trình tự các quá trình trong xử lý khí nén là:
A. Lọc thô, sấy khô, lọc tinh.
B. Sấy khô, lọc thô, lọc tinh.
C. Lọc tinh, sấy khô, lọc thô.
D. Lọc thô, lọc tinh, sấy khô.
Câu 14: Cho sơ đồ mạch thủy lực như hình vẽ, ở điều kiện bơm dầu đã hoạt động:
A. Khi chưa có tín hiệu điều khiển từ tay gạt van 1V1, pittong 1A đi ra chậm, dầu chảy về qua van 1V1.
B. Khi chưa có tín hiệu điều khiển từ tay gạt van 1V1, pittong 1A đi ra nhanh, dầu chảy về qua van 1V5, 1V2.
C. Khi chưa có tín hiệu điều khiển từ tay gạt van 1V1, pittong 1A đi ra nhanh, dầu chảy về qua van 1V6, 1V3.
D. Khi chưa có tín hiệu điều khiển từ tay gạt van 1V1, pittong 1A đi ra chậm, dầu chảy về qua van 1V5, 1V2.
Câu 15: Trong các lĩnh vực sau, lĩnh vực nào ít sử dụng hệ điều khiển khí nén nhất:
A. Dân dụng thương mại.
B. Công nghiệp thực phẩm.
C. Xăng dầu hóa chất
Câu 16: Ký hiệu như hình vẽ sau là loại van gì:
A. Van đảo chiều (điều khiển hướng) 4/3 điều khiển bằng điện tử, phục hồi lò xo cả hai phía, có vị trí trung gian các cửa bị chặn.
B. Van đảo chiều (điều khiển hướng) 3/4 điều khiển bằng khí nén, phục hồi lò xo cả hai phía, có vị trí trung gian các cửa bị chặn.
C. Van đảo chiều (điều khiển hướng) 3/4 điều khiển bằng điện tử, phục hồi lò xo cả hai phía, có vị trí trung gian các cửa bị chặn.
D. Van đảo chiều (điều khiển hướng) 4/3 điều khiển bằng thủy lực, phục hồi lò xo cả hai phía, có vị trí trung gian các cửa bị chặn.
Câu 17: Máy nén khí áp suất cao là máy nén có áp suất khí nén đầu ra thuộc phạm vi nào trong các phạm vi dưới đây:
A. <= 15bar.
B. >= 15bar.
C. >= 300bar.
D. <= 30bar.
Câu 18: Kiểu tác động nào ứng với ký hiệu tác động lên các phần tử khí nén dưới đây:
A. Tác động bằng tay.
B. Tác động bằng khí nén.
C. Tác động bằng điện.
D. Tác động cơ.
Câu 19: Máy nén khí áp suất thấp là máy nén có áp suất khí nén đầu ra thuộc phạm vi nào trong các phạm vi dưới đây:
A. <= 15bar.
B. >= 15bar.
C. >= 300bar.
D. <= 30bar.
Câu 20: Cho van điều khiển như hình vẽ:
A. Khi bấm nút bấm, cửa P sẽ thông với cửa A.
B. Khi bấm nút bấm, cửa A và T sẽ thông nhau.
C. Khi bấm nút bấm, đầu từ cửa P và cửa A sẽ cùng chảy về thùng dầu.
D. Khi bấm nút bấm, cửa P và L sẽ thông nhau, cửa A bị chặn.
Câu 21: Gọi Q là lưu lượng của chất lỏng chảy qua mặt cắt s ống dẫn s là vận tốc chảy trong bình qua mặt cắt s. Phương trình dòng chảy liên tục được biểu diễn như sau:
A. Q=S.v
B. S=Q/v
C. Q=S/v=Q/v
D. S=Q.v
Câu 22: Trong hình dưới van 1.2 có tác dụng:
A. Giảm tốc độ pittong 1.0 khi đi từ trái qua phải.
B. Tăng tốc pittong từ 1.0 khi đi từ phải qua trái.
C. Tăng tốc pittong 1.0 khi đi từ trái qua phải.
D. Giảm tốc độ pittong 1.0 khi đi từ phải qua trái.
Câu 23: Hình vẽ dưới đây là ký hiệu của:
A. Bơm với lưu lượng thay đổi được.
B. Bơm với lưu lượng cố định.
C. Động cơ dầu với hiệu suất cố định.
D. Động cơ dầu với hiệu suất thay đổi được.
Câu 24: Ký hiệu như hình vẽ sau là gì:
A. Van tràn điều khiển trực tiếp.
B. Van đóng mở nối tiếp.
C. Van tràn điều khiển gián tiếp.
D. Van giảm áp.
Câu 25: Tên nào ứng với ký hiệu phần tử khí nén dưới đây:
A. Cảm biến tia rẽ nhánh.
B. Cảm biến tia qua khe hở.
C. Relay áp suất.
D. Cảm biến tia phản hồi.
................................
................................
................................
Xem thêm câu hỏi trắc nghiệm các môn học Đại học có đáp án hay khác:
Sách VietJack thi THPT quốc gia 2025 cho học sinh 2k7:
- Soạn văn 12 (hay nhất) - KNTT
- Soạn văn 12 (ngắn nhất) - KNTT
- Giải sgk Toán 12 - KNTT
- Giải Tiếng Anh 12 Global Success
- Giải sgk Tiếng Anh 12 Smart World
- Giải sgk Tiếng Anh 12 Friends Global
- Giải sgk Vật Lí 12 - KNTT
- Giải sgk Hóa học 12 - KNTT
- Giải sgk Sinh học 12 - KNTT
- Giải sgk Lịch Sử 12 - KNTT
- Giải sgk Địa Lí 12 - KNTT
- Giải sgk Giáo dục KTPL 12 - KNTT
- Giải sgk Tin học 12 - KNTT
- Giải sgk Công nghệ 12 - KNTT
- Giải sgk Hoạt động trải nghiệm 12 - KNTT
- Giải sgk Giáo dục quốc phòng 12 - KNTT
- Giải sgk Âm nhạc 12 - KNTT
- Giải sgk Mĩ thuật 12 - KNTT
Giải bài tập SGK & SBT
Tài liệu giáo viên
Sách
Khóa học
Thi online
Hỏi đáp



