200+ Trắc nghiệm Kỹ thuật thông gió và điều hoà không khí (có đáp án)
Tổng hợp trên 200 câu hỏi trắc nghiệm Kỹ thuật thông gió và điều hoà không khí có đáp án với các câu hỏi đa dạng, phong phú từ nhiều nguồn giúp sinh viên ôn trắc nghiệm Kỹ thuật thông gió và điều hoà không khí đạt kết quả cao.
200+ Trắc nghiệm Kỹ thuật thông gió và điều hoà không khí (có đáp án)
Câu 1: Chu trình thiết bị làm lạnh là:
A. Chu trình thuận chiều
B. Chu trình sinh công
C. Chu trình ngược chiều.
D. Tất cả các đáp án đều sai.
Câu 2: Chu trình thiết bị làm lạnh là chu trình:
A. phải tiêu tốn công (năng lượng) để tải nhiệt từ nơi có nhiệt độ cao đến nơi có nhiệt độ thấp.
B. phải tiêu tốn công (năng lượng) để tải nhiệt từ nơi có nhiệt độ thấp đến nơi có nhiệt độ cao.
C. chu trình thuận chiều.
D. Tất cả các đáp án đều sai.
Câu 3: Chu trình làm lạnh lý tưởng là:
A. Chu trình Cacnô thuận
B. Chu trình Cacnô ngược
C. Chu trình hơi (chu trình cho bay hơi công chất ở áp suất thấp, nhiệt độ thấp.
D. Tất cả các đáp án đều sai.
Câu 4: Chu trình làm lạnh bằng cách cho bay hơi công chất được sử dụng rộng rãi nhất trong thực tế, vì:
A. Tạo được độ lạnh sâu, và khả năng làm lạnh lớn;
B. Hiệu quả làm lạnh tốt, vì áp dụng được hai quá trình đẳng nhiệt, gần giống chu trình Cacnô là: quá trình hóa hơi và quá trình ngưng tụ.
C. Năng suất lạnh lớn; kết cấu đơn giản, bền, dễ sử dụng.
D. Tất cả các đáp án đều đúng.
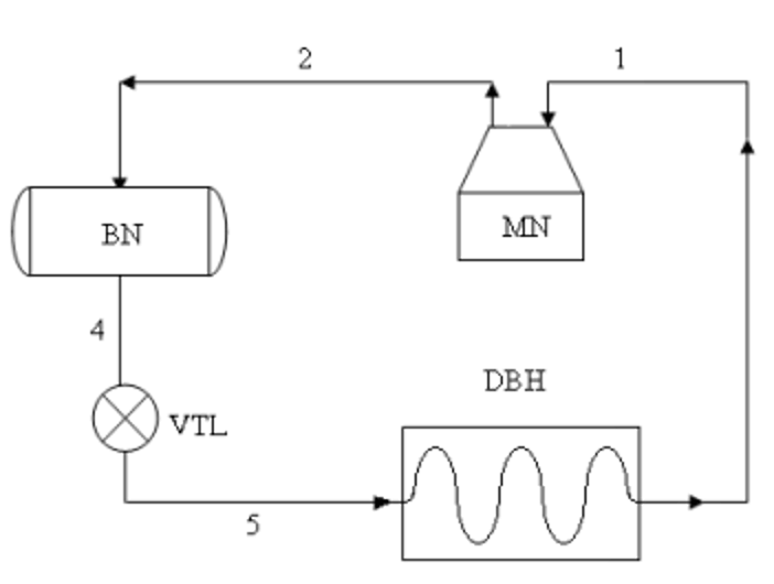
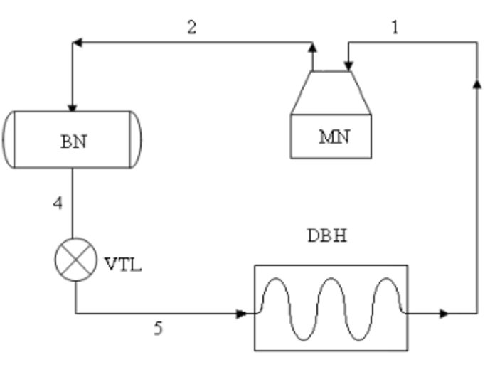
Câu 5: Chu trình hơi cơ bản bao gồm các thiết bị chính:
A. Máy nén
B. Van tiết lưu
C. Bình ngưng (Dàn ngưng), Dàn bay hơi
D. Tất cả các đáp án đều đúng.
Câu 6: Trên đồ thị lgp-i (hình dưới), trạng thái hơi bão hòa khô nằm:
A. Trên đường x=1
B. Trên đường x=0
C. Trong vùng 0 < x < 1
D. bên phải vùng x = 1
Câu 7: Trên đồ thị lgp-i (hình dưới), trạng thái lỏng sôi nằm:
A. Trên đường x=1
B. Trên đường x=0
C. Trong vùng 0 < x < 1
D. bên phải vùng x = 1
Câu 8: Trên đồ thị lgp-i (hình dưới), trạng thái hơi quá nhiệt nằm:
A. Trên đường x=1
B. Trên đường x=0
C. Trong vùng 0 < x < 1
D. bên phải đường x = 1
Câu 9: Trên đồ thị lgp-i (hình dưới), trạng thái công chất lỏng nằm:
A. Trên đường x=1
B. Trên đường x=0
C. Trong vùng 0 < x < 1
D. bên trái vùng x = 0
Câu 10: Khi có cùng nhiệt độ nguồn nóng và nguồn lạnh, thì so với chu trình hơi lý tưởng thì chu trình cacnô có:
A. năng suất lạnh của chu trình Cacnô nhỏ hơn năng suất lạnh của chu trình hơi lý tưởng.
B. năng suất lạnh của chu trình Cacnô lớn hơn năng suất lạnh của chu trình hơi lý tưởng
C. năng suất lạnh của chu trình Cacnô bằng năng suất lạnh của chu trình hơi lý tưởng
D. cả 3 đáp án đều sai
Câu 11: Khi có cùng nhiệt độ nguồn nóng và nguồn lạnh thì chu trình cacnô có năng suất lạnh nhỏ hơn năng suất lạnh của chu trình hơi lý tưởng vì:
A. bị khống chế bằng hai quá trình đẳng nhiệt và hai quá trình đoạn nhiệt.
B. bị khống chế bằng hai quá trình đẳng nhiệt và hai quá trình đẳng entanpi
C. bị khống chế bằng hai quá trình đẳng áp và hai quá trình đẳng entanpi
D. Tất cả các đáp án đều sai.
Câu 12: Khi có cùng nhiệt độ nguồn nóng và nguồn lạnh, so với chu trình cacnô, thì chu trình hơi lý tưởng có:
A. Hệ số làm lạnh nhỏ hơn.
B. Hệ số làm lạnh lớn hơn.
C. Hệ số làm lạnh bằng nhau.
D. cả 3 đáp án đều sai
Câu 13: Quá trình từ 1 đến 2 trên hình bên dưới là:
A. Nén hơi công chất đoạn nhiệt
B. Nén hơi công chất đẳng nhiệt
C. Giãn nở công chất đoạn nhiệt
D. Giãn nở công chất đẳng entalpia
Câu 14: Quá trình từ 3 đến 4 trên hình bên dưới là:
A. Nén hơi công chất đoạn nhiệt
B. Công chất nhả nhiệt để ngưng tụ có áp suất không đổi và nhiệt độ không đổi
C. Giãn nở công chất đoạn nhiệt
D. Giãn nở công chất đẳng entalpia
Câu 15: Quá trình từ 2 đến 4 trên hình bên dưới là:
A. Nén hơi công chất đoạn nhiệt.
B. Làm mát và ngưng tụ hơi công chất đẳng áp.
C. Giãn nở công chất đoạn nhiệt.
D. Giãn nở công chất đẳng entalpiA.
Câu 16: Quá trình từ 4 đến 5 trên hình bên dưới là:
A. Nén hơi hơi công chất đoạn nhiệt
B. Làm mát và ngưng tụ hơi công chất đẳng áp.
C. Nhận nhiệt làm bay hơi công chất đẳng áp.
D. Giãn nở công chất đẳng entanpi
Câu 17: Quá trình từ 1 đến 2 trên hình bên dưới là:
A. Nén hơi công chất đoạn nhiệt
B. Nén hơi công chất đẳng nhiệt
C. Giãn nở công chất đoạn nhiệt
D. Giãn nở công chất đẳng entanpi
Câu 18: Quá trình nén đoạn nhiệt công chất từ 1 đến 2 trên hình bên dưới có:
A. áp suất giảm p1 > p2, nhiệt độ tăng t1 < t2
B. áp suất tăng p1 < p2, nhiệt độ tăng t1 < t2
C. áp suất tăng p1 < p2, nhiệt độ giảm t1 > t2
D. áp suất giảm p1 > p2, nhiệt độ giảm t1 > t2
Câu 19: Quá trình nén đoạn nhiệt công chất từ 1 đến 2 trên hình bên dưới có đặc điểm:
A. không có trao đổi nhiệt với môi trường q = 0
B. công chất nhận nhiệt của môi trường q > 0
C. công chất nhả nhiệt cho môi trường q < 0
D. tất cả các đáp án đều sai.
Câu 20: Quá trình công chất nhả nhiệt để được làm mát trong dàn ngưng (bình ngưng) từ 2 đến 3 trên hình bên dưới có đặc điểm:
A. Áp suất công chất P2=P3= Pk không đổi, nhiệt độ công chất giảm t2 > t3 = tk.
B. Áp suất công chất P2=P3= Pk không đổi, nhiệt độ công chất tăng t2 < t3 = tk
C. Áp suất công chất tăng P2 > P3= Pk, nhiệt độ công chất tăng t2 < t3 = tk
D. Áp suất công chất tăng P2 <P3= Pk, nhiệt độ công chất giảm t2 > t3 = tk
Câu 21: Quá trình công chất nhả nhiệt để ngưng tụ trong dàn ngưng (bình ngưng) từ 3 đến 4 trên hình bên dưới có đặc điểm:
A. Áp suất công chất P4=P3= Pk không đổi, nhiệt độ công chất không đổi t3 = t4 = tk.
B. Áp suất công chất P4=P3= Pk không đổi, nhiệt độ công chất tăng t3= tk < t4
C. Áp suất công chất tăng P3 < P4, nhiệt độ công chất tăng t3 < t4
D. Áp suất công chất tăng P2 <P4, nhiệt độ công chất giảm t3 > t4
Câu 22: Quá trình tiết lưu công chất từ 4 đến 5 trên hình bên dưới có đặc điểm:
A. Áp suất công chất P4=P5 không đổi.
B. Nhiệt độ công chất không đổi t4= t5
C. Entanpi công chất không đổi i4 = i5.
D. Entropi công chất không đổi.
Câu 23: Quá trình công chất qua van tiết lưu từ 4 đến 5 trên hình bên dưới có đặc điểm:
A. quá trình đẳng áp.
B. quá trình đẳng nhiệt
C. quá trình đẳng entropi
D. quá trình đẳng entanpi
Câu 24: Quá trình công chất nhận nhiệt để hóa hơi trong dàn bay hơi (bình bay hơi) từ 5 đến 1 trên hình bên dưới có đặc điểm:
A. Áp suất công chất P5=P1= P0 không đổi, nhiệt độ công chất không đổi t5 = t1 = t0.
B. Áp suất công chất P5=P1= P0 không đổi, nhiệt độ công chất tăng lên t5 < t1
C. Áp suất công chất tăng P5 < P1, nhiệt độ công chất tăng t5 < t1
D. Áp suất công chất tăng P5 <P1, nhiệt độ công chất giảm t5 > t1
Câu 25: Quá trình công chất nhận nhiệt để hóa hơi trong dàn bay hơi (bình bay hơi) từ 5 đến 1 trên hình bên dưới có đặc điểm:
A. Nhiệt độ công chất tăng lên.
B. Áp suất công chất không đổi
C. Áp suất công chất tăng lên
D. Nhiệt độ công chất giảm đi.
................................
................................
................................
Xem thêm câu hỏi trắc nghiệm các môn học Đại học có đáp án hay khác:
Sách VietJack thi THPT quốc gia 2025 cho học sinh 2k7:
- Soạn văn 12 (hay nhất) - KNTT
- Soạn văn 12 (ngắn nhất) - KNTT
- Giải sgk Toán 12 - KNTT
- Giải Tiếng Anh 12 Global Success
- Giải sgk Tiếng Anh 12 Smart World
- Giải sgk Tiếng Anh 12 Friends Global
- Giải sgk Vật Lí 12 - KNTT
- Giải sgk Hóa học 12 - KNTT
- Giải sgk Sinh học 12 - KNTT
- Giải sgk Lịch Sử 12 - KNTT
- Giải sgk Địa Lí 12 - KNTT
- Giải sgk Giáo dục KTPL 12 - KNTT
- Giải sgk Tin học 12 - KNTT
- Giải sgk Công nghệ 12 - KNTT
- Giải sgk Hoạt động trải nghiệm 12 - KNTT
- Giải sgk Giáo dục quốc phòng 12 - KNTT
- Giải sgk Âm nhạc 12 - KNTT
- Giải sgk Mĩ thuật 12 - KNTT
Giải bài tập SGK & SBT
Tài liệu giáo viên
Sách
Khóa học
Thi online
Hỏi đáp



