200+ Trắc nghiệm Lý thuyết mạch (có đáp án)
Tổng hợp trên 200 câu hỏi trắc nghiệm Lý thuyết mạch có đáp án với các câu hỏi đa dạng, phong phú từ nhiều nguồn giúp sinh viên ôn trắc nghiệm Lý thuyết mạch đạt kết quả cao.
200+ Trắc nghiệm Lý thuyết mạch (có đáp án)
Câu 1. Điện áp trên tụ điện 5 mF khi có dòng điện i(t) = 7sin(100t + 30) A chạy qua là:
A. 14sin(100t + 120) V
B. 14cos(100t - 60) V
C. 14sin(100t + 30) V
D. 14sin(100t - 60) V
Câu 2. Khóa K trong mạch điện hình dưới chuyển từ vị trí 1 sang vị trí 2 tại thời điểm t = 0. Điện áp quá độ trên điện dung uC(t) có dạng (với A là hằng số):
A. (1-e-20.t), kV
B. e-20.t, kV
C. (1-e-10.t), kV
D. e-10.t, kV
Câu 3. Giá trị hiệu dụng của dòng điện 100sin(314t - 30) A là:
A. 100 A
B. 50 A
C. 50 căn2 A
D. 100 căn2 A
Câu 4. Mạng điện ba pha đối xứng có đặc điểm nào sau đây :
A. Điện thế của các điểm trung tính khác không
B. Biết lượng dây không thể suy ra lượng pha và ngược lại
C. Biết lượng của một pha sẽ suy ra lượng của hai pha còn lại
D. Các sức điện động của nguồn lệch pha lần lượt 150°
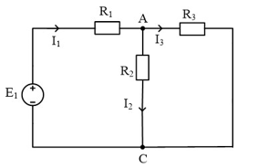
Câu 5. Cho mạch điện ở chế độ xác lập điều hoà như hình vẽ. Biết E1 =200 góc 40, Z1 = 10 + j10 Ω, Z2 = 8 + j7 Ω, Z3 = 10 + j8 Ω. Giá trị của dòng điện I3 là:
A. 3,55 góc -2,18 A
B. 2,55 góc -2,18 A
C. 5,55 góc 2,18 A
D. 4,55 góc -2,18 A
Câu 6. Giá trị hiệu dụng của điện áp -100căn 2 sin(314t - 170) V là:
A. 100 V
B. 50 V
C. -100 V
D. -50V
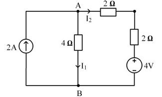
Câu 7. Xét mạch như hình vẽ sau. Biết E = 20 V; I = 2 A. Giá trị của điện trở và công suất tỏa nhiệt trên điện trở R lần lượt là:
A. 10 Ω; 40 W
B. 20 Ω; 50 W
C. 40 Ω; 80 W
D. 10 Ω; 50 W
Câu 8. Phương trình trạng thái của mạng một cửa có hệ số C =8 + j10, D = 15 + j20, dòng điện ngắn mạch của mạng một cửa có trị số :
A. 15 + j20 A
B. 30 + j34 A
C. 23 + j30 A
D. 8 + j10 A
Câu 9. Điện áp trên tụ điện 5 mF khi có dòng điện i(t)=7sin(100t+30∘) A chạy qua là:
A. 14sin(100t−60∘) V
B. 14sin(100t+30∘) V
C. 14sin(100t+120∘) V
D. 14cos(100t−60∘) V
Câu 10. Điện áp trên cuộn cảm 5 mH khi có dòng điện i(t) = 10sin(100t + 20) A chạy qua là:
A. 50sin(100t + 20) V
B. 5sin(100t + 20) V
C. 50cos(100t + 20) V
D. 5cos(100t + 20) V
Câu 11. Xác định VA trong sơ đồ đồ mạch sau?
A. 6V
B. 3V
C. 2V
D. 5V
Câu 12. Điện áp hở mạch của mạng một cửa sau có giá trị :,20p3.jpg.
A. 219,12 + j86,73 V
B. 215,12 + j85,64 V
C. 212,12 + j82,64 V
D. 220,12 + j56,64 V
Câu 13. Xác định VA trong sơ đồ đồ mạch sau?
A. 3V
B. 6V
C. 5V
D. 2V
Câu 14. Tìm điện dẫn Gx trong sơ đồ mạch sau. Biết công suất tác dụng trên điện dẫn Gx là 50mW.
A. 500µS
B. 500mS
C. 0.5mS.
D. 500Ω
Câu 15. Công suất biểu kiến S của mạch ba pha đối xứng tải tĩnh được tính theo công thức nào sau đây:
A. S =If Uf
B. S = Căn 3Ud Id
C. S = 4U
D. S = 3I
Câu 16. Khóa K trong mạch điện hình dưới được đóng vào tại thời điểm t = 0. Dòng điện quá độ iL(t) chạy trong mạch có dạng (với I0 là hằng số dương):
A. I0.(1 - e-50.t), A
B. I0.(1 - e-100.t), A
C. I0.(1 + e-50.t), A
D. I0.(1 + e-100.t), A
Câu 17. Mạch điện ba pha có hệ điện áp dây Ubc=220 góc 0, Uac=220 góc 60, tải đấu sao có tổng trở mỗi pha Z = 5+j6Ω, dòng điện pha A có trị số hiệu dụng:
A. 15,45 + j11,45 A
B. 12,49 + j10,41 A
C. 22,89 + j20,51 A
D. 14,45 + j16,68 A
Câu 18. Khóa K trong mạch điện ở hình dưới được đóng vào tại thời điểm t = 0. Dòng điện chạy qua điện cảm L tại thời điểm t = -0 có giá trị bằng:
A. 0,2 A
B. 0,5 A
C. 0,4 A
D. 0,3 A
Câu 19. Khóa K trong mạch điện ở hình dưới được đóng vào tại thời điểm t = 0. Giá trị của dòng điện chạy qua điện cảm \( i_L(+0) \) là:
A. 1 A
B. 1.2 A
C. 1211 A
D. 6 A
Câu 20. Cho i1(t) = 30sin(314t - 20), i2(t) = 60cos(314t - 30). Phát biểu nào dưới dây đúng?
A. i1(t) sớm pha so với i2(t) một góc -50
B. i1(t) sớm pha so với i2(t) một góc -80
C. i1(t) chậm pha so với i2(t) một góc -10
D. i1(t) chậm pha so với i2(t) một góc -50
Câu 21. Cho i1(t) = 30sin(314t - 20), i2(t) = 60cos(314t - 30). Phát biểu nào dưới dây đúng?
A. i1(t) sớm pha so với i2(t) một góc -50
B. i1(t) chậm pha so với i2(t) một góc -10
C. i1(t) chậm pha so với i2(t) một góc -50
D. i1(t) sớm pha so với i2(t) một góc -80
Câu 22. Giá trị hiệu dụng của dòng điện 100sin(314t - 30) A là:
A. 100 A
B. 50 A
C. 50 căn2 A
D. -100A
Câu 23. Tổng trở phức của nhánh có 3 phần tử với R=20 Ω, L=5 mH và C=10 mF mắc nối tiếp nhau ở tần số 100 Hz là:
A. 20+j2.9824 Ω
B. 20+j3.3007 Ω
C. 20+j2.5008 Ω
D. 20+j3.5217 Ω
Câu 24. Giá trị hiệu dụng của điện áp -200 căn2 sin(314t - 170) V là:
A. 200 căn2 V
B. -200 V
C. 100V
D. 200 V
Câu 25. Cho mạch ba pha đối xứng. Biết điện áp trên phụ tải pha A là 98 góc -12 V, điện áp trên phụ tải pha C có giá trị là:
A. 98 góc 120
B. 98 góc -108
C. 98 góc 108
D. 98 góc 150
Câu 26. Điện áp trên cuộn cảm 5 mH khi có dòng điện i(t) = 10sin(100t + 20) A chạy qua là:
A. 50sin(100t + 20) V
B. 5sin(100t + 20) V
C. 50cos(100t + 20) V
D. 5cos(100t + 20) V
Câu 27. Cho u(t) = 150sin(314t - 60), i(t) = 7sin(314t - 30). Phát biểu nào dưới dây đúng?
A. u(t) sớm pha so với i(t) một góc -30
B. u(t) sớm pha so với i(t) một góc 30
C. u(t) sớm pha so với i(t) một góc 90
D. u(t) sớm pha so với i(t) một góc -90
Câu 28. Dòng điện i(t) = 5căn2 sin(100t + 17) A chạy qua nhánh có điện trở 5 Ω và tụ điện 2 mF mắc nối tiếp tạo ra điện áp trên nhánh là:
A. 25căn2 sin(100t + 17) + 25sin(100t + 110) V
B. 25căn2 sin(100t + 17) + 25căn2 sin(100t + 11) V
C. 25căn2 sin(100t + 17) + 25căn2 sin(100t - 73) V
D. 25căn2 sin(100t + 17) + 25sin(100t - 73) V
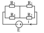
Câu 29. Hãy xác định dòng điện I của mạch. Biết R1=4Ω;R2=4Ω;R3=2Ω; R4=2Ω;E=12V
A. -4A
B. 4A
C. 1A
D. 2A
Câu 30. Cho u(t) = 150sin(314t - 60), i(t) = 7sin(314t - 30). Phát biểu nào dưới dây đúng?
A. u(t) sớm pha so với i(t) một góc -30
B. u(t) sớm pha so với i(t) một góc 30
C. u(t) sớm pha so với i(t) một góc -90
D. u(t) sớm pha so với i(t) một góc 90
................................
................................
................................
Xem thêm câu hỏi trắc nghiệm các môn học Đại học có đáp án hay khác:
Sách VietJack thi THPT quốc gia 2025 cho học sinh 2k7:
- Soạn văn 12 (hay nhất) - KNTT
- Soạn văn 12 (ngắn nhất) - KNTT
- Giải sgk Toán 12 - KNTT
- Giải Tiếng Anh 12 Global Success
- Giải sgk Tiếng Anh 12 Smart World
- Giải sgk Tiếng Anh 12 Friends Global
- Giải sgk Vật Lí 12 - KNTT
- Giải sgk Hóa học 12 - KNTT
- Giải sgk Sinh học 12 - KNTT
- Giải sgk Lịch Sử 12 - KNTT
- Giải sgk Địa Lí 12 - KNTT
- Giải sgk Giáo dục KTPL 12 - KNTT
- Giải sgk Tin học 12 - KNTT
- Giải sgk Công nghệ 12 - KNTT
- Giải sgk Hoạt động trải nghiệm 12 - KNTT
- Giải sgk Giáo dục quốc phòng 12 - KNTT
- Giải sgk Âm nhạc 12 - KNTT
- Giải sgk Mĩ thuật 12 - KNTT
Giải bài tập SGK & SBT
Tài liệu giáo viên
Sách
Khóa học
Thi online
Hỏi đáp



